Apr.07,2016
轴流风机厂家介绍产品安装示范及应用范围
轴流风机通常用在流量要求较高而压力要求较低的场合。轴流式风机固定位置并使空气移动。轴流风机主要由风机叶轮和机壳组成,结构简单但是数据要求非常高。普通型轴流风机可用于一般工厂、仓库、办公室、住宅内等场所的通风换气。
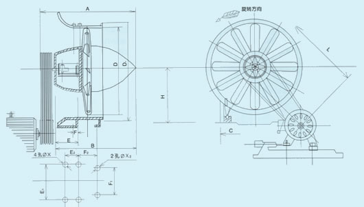
也有矿用轴流风机,防腐、防爆型轴流风机采用防腐材料及防爆措施,并匹配防爆电机,可用于输送易爆、易挥发、具有腐蚀性的气体,要求轴流风机输送的气体应无显著灰尘,无粘性和纤维物质;电动机直连型温度不超过40℃,皮带传动型温度不超过60℃。输送气体的粉尘量不得超过150mg/m3,轴流风机主要由叶轮、机壳、电动机等零部件组成,支架采用型钢与机壳风筒连接。其中防腐型轴流风机叶轮、机壳均为玻璃钢制成,其它型式轴流风机一般采用钢板制成。

轴流风机可用于冶金、化工、轻工、食品、医药设备、机械设备及民用建筑等场所通风换气或加强散热之用.若将机壳去掉,亦可用做自由风扇,也可在较长的排气管道内间隔串联安装,以提高管道中的风压。

轴流风机的安装事项如下:
1、风机卧地式安装将减振器通过联接螺栓固定于风机机座,用中心高调整垫板调节各减振器水平高度,用固定螺栓将风机固于已焊接在基础上的联接钢板上,如风机由于抗震等原因无需减振器,则将风机机座上的螺孔与基础上的预埋螺栓直接联接即可。
2、侧墙卧式安装风机安装的基本要求与卧地式安装相同,只是安装托架做成斜臂支撑式,托架要有足够的强度和刚度,10#以上风机不宜采用此种安装方式。
3、立式安装风机立式安装方法与卧地式安装一致,对风机基础的强度与刚度要求更严格。
4、风机与两端管道的联接必须采用挠性接头,以隔离振动和保护风机。
5、悬挂式安装先将减振器与风机用螺栓联接成一体,减振器对称安装,布置于风机重心两侧,直接将风机提升插入安装于悬挂支架,悬挂支架的高度,视实际空间距离由用户自定,16#以上风机一般不采用此种安装型式。
威尼斯app官方具有研制和生产风机的技术能力,检测水平,生产设备先进,职工生产工艺技术熟练,产品质量达到了行标、部标、国标水平,产品质量可靠。 公司主要产品有大型工业通风机、鼓风机、高、中、低压离心风机(含排尘风机〉、冶金行用除尘风机、涂装、造纸行业用风机、高温风机、轴流风机、屋顶风机、消防排风机、防爆风机、防腐风机等近500个规格的产品。 企业成立以来,坚持走科技进步、以人为本、 以质量求生存的道路,销售的产品获得广大客户的好评,热忱欢迎新老客户前来洽谈选购。联系电话:0513-86715666

